- Home
- Products
- Industrial Lens
- Telecentric Lens
- 5 Megapixel Telecentric Lens
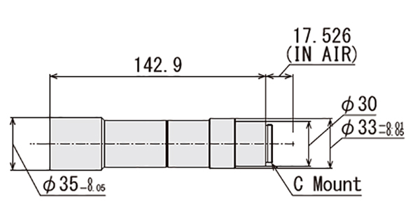
- ALN-TEC-V10110MPW
ALN-TEC-V10110MPW 5 Megapixel Telecentric Lens
Specifications
Format | 12.8mm x 9.6mm(ø16.0mm) | ||||||
---|---|---|---|---|---|---|---|
Magnification | 1.0x | ||||||
Working Distance | 110.2mm | ||||||
Resolving Power*1 | 6μm | ||||||
Depth of Field*2 | 0.72mm | ||||||
NA | 0.055 | ||||||
Effective F-number | 9.0 | ||||||
TV Distortion | -0.015% | ||||||
Mount | C-Mount | ||||||
Weight | 159g |
*2: Value Calculated with a permissible circle of confusion of 40μm
Field of View and Size

1" | 12.8 x 9.6mm | |||
---|---|---|---|---|
2/3" | 8.8 x 6.6mm | |||
1/1.8" | 7.2 x 5.4mm | |||
1/2" | 6.4 x 4.8mm |